مقاوم سازی اتصالات فولادی
بدليل عدم شناخت كافي از رفتار اتصالات، بسياري از آسيب هاي ايجاد شده در سازه ها از ضعف در طراحي يا اجراي اتصالات ناشي مي شود. بنابراين بررسي آسيب هاي وارد شده بر اتصالات در اثر زلزله هاي گذشته و ارائه راهکارهای مقاوم سازی سازه مناسب امري ضروري مي نمايد.
آسيب هاي اتصالات فولادی در اثر زلزله هاي گذشته را مي توان به آسيب هاي تير، ستون، جوش، اجزا و چشمه اتصال طبقه بندي نمود.
آسيب هاي وارده به اتصال ممكن است يكي از انواع فوق و يا چند نوع مختلف باشد. مشاهده وسيع اينگونه آسيب ها در اتصالات بر اثر زلزله هاي گذشته بسيار هشداردهنده مي باشد.

آسیب اتصالات فلزی
به منظور مقاوم سازی ساختمان ابتدا باید انواع خرابیها و صدمات وارده بر ناحیه اتصال در حین زلزله را در چند دسته مرتب نمود. اغلب این خرابی ها به صورت زیر طبقهبندی میشوند:
- خرابی در تیرها (G)
- خرابی در بال ستونها (C)
- خرابی در جوش (W)
- خرابی در ورق برشی جان (S)
- خرابی در چشمه اتصال
الف- خرابی در تیرها
وقوع هشت نوع خرابی در تیر مطابق شکل محتمل است.
|
توضیح |
نماد خرابی |
| کمانش بال (بال فوقانی یا تحتانی) | G1 |
| تسلیم بال (بال فوقانی یا تحتانی) | G2 |
| گسیختگی بال در ناحیه تفتیده (بال فوقانی یا تحتانی) | G3 |
| گسیختگی بال در خارج از ناحیه تفتیده (بال فوقانی یا تحتانی) | G4 |
| گسیختگی بال فوقانی یا تحتانی | G5 |
| تسلیم یا کمانش جان | G6 |
| گسیختگی جان | G7 |
| کمانش آرماتورشی جانبی مقطع | G8 |

در خرابی تیرها در زلزله نورتریج بیشتر خرابیها در بال پایینی مشاهده شده است، هر چند که خرابیهایی در بال فوقانی نیزگزارش شده است. این واقعیت با دلایل متعددی به شرح زیر قابل توجیه است.
1- عملکرد مختلط دال بتنی با بال فوقانی که موجب انتقال تار خنثی به طرف بالا و افزایش تنش در بال تحتانی میشود.
2-کیفیت پایین جوش لب به لب بال تحتانی به ستون به علت دسترسی ناقص جوشکار به آن در حین جوشکاری.
3- انجام آزمایش فراصوت در بال فوقانی به آسانی امکانپذیر است، در نتیجه کیفیت پذیرش آن نیز افزایش مییابد.
4- تسمه پشت بند جوش در بال پایینی در تار تنش حداکثر قراردارد، در حالی که در بال فوقانی در تار تنش حداکثر نیست. وجود تسمه پشت بند عامل تمرکز تنش میباشد.
ب- خرابی در بال ستون
وقوع هفت نوع خرابی در بال ستون مطابق شکل محتمل است.
| توضیح | نماد خرابی |
| ترک جزیی | C1 |
| قلوه کن شدن بالها | C2 |
| ترک کامل یا جزیی خارج از ناحیه تفتیده | C3 |
| ترک کامل یا جزیی خارج از ناحیه تفتیده (HAZ) | C4 |
| پارگی لایهای | C5 |
| کمانش بال ستون | C6 |
| گسیختگی در وصله | C7 |
انواع خرابی در ستون های فولادی
پ- خرابیها و نقایص جوش
پنج نوع خرابی، نقص و ناپیوستگی جوش در شکل نشان داده شده است.
| توضیح | نماد خرابی |
| ترک در ریشه جوش | W1 |
| ترکهایی به عمق کوچکتر از 5 میلیمتر و یا 4/tf و عرض کوچکتر از 4/bf | W1a |
| ترکهایی عمیق تر و بزرگتر از W1a | W1b |
| ترک در ضخامت کامل فلز جوش | W2 |
| گسیختگی در فصل مشترک فلز جوش با ستون | W3 |
| گسیختگی در فصل مشترک فلز جوش با تیر | W4 |
| علایم قابل تشخیص با آزمایش UT- غیر قابل رد کردن | W5 |

ت- خرابی در ورق اتصال برشی جان تیر
شش نوع خرابی ورق اتصال برشی جان تیر در شکل نشان داده شده است. وقوع خرابی عمده در ورق اتصال برشی، مبین وقوع خرابی در ستون، تیر، جوش و یا چشمه اتصال است.
| توضیح | نماد خرابی |
| ترک جزیی در جوش ورق به ستون | S1 |
| بالهای تیر سالم | S1a |
| بالهای تیر ترک خورده | S1b |
| گسیختگی جوشهای تکمیلی | S2 |
| بالهای تیر سالم | S2a |
| بالهای تیر ترک خورده | S2b |
| ترک از ناحیه آرماتورها | S3 |
| تسلیم یا کمانش ورق اتصالی برشی | S4 |
| آرماتورهای شل، صدمه دیده و یا فراموش شده | S5 |
| گسیختگی کامل جوش ورق برشی به ستون | S6 |

ث- خرابی در چشمه اتصال
نه نوع خرابی در چشمه اتصال در شکل نشان داده شده است.
| توضیح | نماد خرابی |
| گسیختگی، کمانش و یا تسلیم ورق پیوستگی | P1 |
| گسیختگی در جوش ورق پیوستگی | P2 |
| تسلیم یا تغییر شکل جان | P3 |
| شکست جوش ورق مضاعف | P4 |
| گسیختگی جزیی در ورق مضاعف | P5 |
| گسیختگی جزیی در جان ستون | P6 |
| گسیختگی کامل یا نزدیک به کامل در جان یا ورق مضاعف | P7 |
| کمانش جان | P8 |
| گسیختگی کامل ستون | P9 |

نارسایی های اتصال
با توجه به آسیبهای به وجود آمده در اتصال در اثر زلزلههای قبلی میتوان نارساییهای اتصال را به شرح زیر طبقهبندی نمود:
الف) عدم انتخاب جزئیات مناسب (ساختار غلط اتصال)
ب) عدم تناسب در ورقهای اتصال
پ) عدم توجه به لبههای آزاد و لاغری ورقهای اتصال
ت) فاصلهبندی غلط وسایل اتصال
ث) عدم توجه به دسترسی به نقاط کور اتصال
ج) عدم دقت در اجرای جوشها با طول و بعد صحیح
ورقهای پیوستگی
ورقهای پیوستگی باید در مقابل بال های تیر یا ورق های پوششی اتصال بال بالایی و پایینی تیرهای متصل شونده به ستون و به صورت متقارن نسبت به محور ستون، قرار داده شوند. این ورقها برای انتقال نیروهای درون صفحهای حاصل از لنگر تیر به چشمه اتصال در ستون به کار برده میشوند.

مقاومت برشی چشمه اتصال و سایر ضوابط طراحی چشمه اتصال، در هریک از روشهای طراحی براساس ضوابط مبحث دهم مقررات ملی ساختمان تعیین میشود.
اگر چنانچه چشمه اتصال نتواند برش ناشی از نیروهای کششی و فشاری موجود در بال تیرهای متصل به ستون را تحمل نماید، باید ورق های تقویتی چشمه اتصال به منظور کاستن از تنش برشی در جان ستون و یا برای جلوگیری از ناپایداری آن به کارگرفته شود. این ورقها را میتوان چسبیده به جان ستون و یا با فاصله از آن، به صورت متقارن نسبت به محور تقارن مقطع ستون که موازی جهت اعمال نیروی برشی میباشد، به کار برد.
این ورقها باید به بالهای ستون و ورقهای پیوستگی بالایی و پایینی متصل گردند. جوش اتصال لبههای بالایی و پایینی ورقهای تقویت چشمه اتصال به ورقهای پیوستگی و جوش اتصال لبههای قائم این ورقها به بالهای ستون، باید برای سهمی از برش چشمه اتصال که توسط آنها تحمل میگردد، طراحی شود. ورقهای تقویت چشمه اتصال را میتوان مانند شکل ب نیز اجرا نمود.
(الف)

راهکار تقویت اتصالات فلزی جوشی
پس از بررسی آسیب های متداول در اتصالات جوشی و ارائه ضوابط مهم برای طراحی ورق های تقویت چشمه اتصال و ورقهای پیوستگی و نحوه محاسبه نیروها در مقاطع بحرانی اتصال، در این بخش به معرفی روشهای مقاوم سازی اتصالات جوشی متداول میپردازیم.
1. استفاده از ورق روسری و زیر سری مضاعف
در صورتی که از جوش ورقهای زیرسری و روسری به ستون اطمینان نداشته و یا در حین زلزله بـه آنها صدمه وارد آمده باشد، استفاده از ورقهای زیرسری و روسری مضاعف میتواند در برنامه کارقرار گیرد.

در صورتی که هیچ اطمینانی از جوش ورق روسری موجود به ستون نباشد و یا این جوش از بین رفته باشد، ضخامت ورق روسری و زیرسری باید برای لنگر پلاستیک تیر طراحی شود. اما اگر اضافه کردن ورق زیرسری و روسری به منظور تقویت اتصالات فلزی وضعیت موجود باشد، ضخامت آن بر حسب قضاوت تعیین میگردد.
2. استفاده از ماهیچه
در شکل پایین جزئیات اضافه نمودن ماهیچه نشان داده شده است. اضافه کردن این ماهیچه باعث انتقال مفصل پلاستیک از بر ستون به داخل تیر میگردد. اضافه نمودن ماهیچه در صورت امکان بهتر است تنها در بال پایینی صورت گیرد زیرا تجربیات حاصل از زلزله، مبین شروع خرابی از بال تحتانی تیر است و همچنین اضافه نمودن ماهیچه در بال بالایی مستلزم خراب نمودن دال میباشد.

اضافه کردن ماهیچه در پایین در صورتی که ساختمان دارای سقف کاذب باشد، عملی میباشد و نیاز به تعمیر جوش ورق زیرسری به ستون را از بین میبرد. در صورتی که از جوش ورق روسری به ستون نیز اطمینان نداشته باشیم و نخواهیم آن را سنگزده و تعمیر نماییم، میتوانیم ماهیچه را در بالا نیز اجرا نماییم. در این حالت احتمال تداخل ماهیچه با کفسازی وجود دارد.
3. لچکیهای قائم در بال فوقانی و تحتانی
شکل پایین نشان دهنده نحوه تقویت اتصالات فلزی صلب با لچکیهای قائم است. تعداد لچکیها میتواند یک و یا دو عدد باشد.

4. استفاده از ورق کناری (ورق گونه)
در این روش نیروهای کششی و فشاری بال های فوقانی و تحتانی تیر به کمک ورقهای گونه به ستون انتقال داده میشود.
نمونههایی از جزئیات بهسازی اتصالات فولادی با ورق کناری در شکل نشان داده شده است.

5. استفاده از مقطع T شکل
با استفاده از مقاطعT شکل میتوان اتصال فولادی را مقاوم سازی نمود. در بعضی از موارد مقطع را تنها در بال پایینی اتصال اجرا مینمایند که با استفاده از این روش میتوان بدون تخریب دال اتصال را مقاوم سازی نمود. ورقهای پیوستگی را در امتداد مقاطعT شکل نیز باید اجرا نمود.

6. مقاوم سازی اتصالات فولادی با پیشتنیدگی خارجی بوسیله کابل کششی
استفاده از روش مقاوم سازی با استفاده از پیش تنیدگی خارجی یکی از نوینترین روش های بهسازی اتصالات فولادی که در سالهای اخیر توسعه یافته است. کابل با مقاومت بالا معمولاً در قسمت میانی تیر تعبیه میگردد. این روش را با چهارکابل نیز میتوان اجرا نمود. حسن استفاده از چهار کابل این است که با از بین رفتن یک کابل عملکرد اتصال مختل نمیگردد. مقاومت برشی اتصال توسط دو نبشی که در قسمت فوقانی و تحتانی قرار دارد و نیروی اصطکاکی بین تیر و ستون که به علت پیشتنیدگی کابل نیز افزایش یافته، تامین میگردد.
جدایی تیر از ستون منجر به جذب انرژی میگردد، زیرا با جداشدگی تیر از ستون کابلها به کشش افتاده و عملکرد غیرخطی کابل ها باعث جذب انرژی میگردد. استفاده از این روش منجر به افزایش مقاومت، سختی و شکلپذیری اتصال میگردد.
در استفاده از این روش بعضی از مشکلات مانند تسلیم شدن کابل ها، کمانش موضعی تیر و … وجود دارد.
از محاسن این روش می توان به:
– یکسان سازی عملکردی غیرخطی اجزای سازه ای و در نتیجه محدود نمودن نیروهای لرزه ای به وجود آمده و فراهم نمودن میرایی اضافی برای سازه
– برگشت سیستم به حالت اولیه بعد از ایجاد تغییرشکلهای به وجود آمده در اثر بارهای لرزهای
– کاهش و یا حذف خسارت های شدید به المانهای سازهای اصلی اشاره نمود.
7. راهکارهای مقاوم سازی اتصالات فولادی پیچی با گیرداری کامل
این بخش شامل توصیههای لازم برای انواع اتصالات قاب خمشی پیچی باگیرداری کامل میباشد.

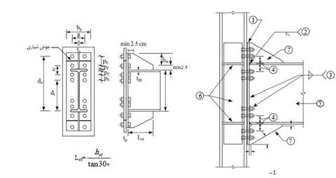
8. افزایش طول ورق انتهایی و استفاده از سخت کننده در اتصال آرماتوری با ورق انتهای
در این اتصال ورق انتهایی با استفاده از جوش به تیر متصل میگردد به نحوی که بالهای تیر با جوش شیاری نفوذی و جان تیر با جوش گوشه به ورق انتهایی متصل میشوند. در نهایت نیز ورق انتهایی با آرماتور به ستون متصل میگردد. جوشکاری بال تیر به ورق انتهایی بدون سوراخ دسترسی انجام میشود. محدوده های پائین ورق انتهایی نسبت به بالهای تیر، بوسیله سـخت کننده های عمومی سخت میشوند. این سخت کنندهها، با جوش شیاری نفوذی دو طرفه به بال تیر و ورق انتهایی متصل میشود. این اتصال را میتوان در قابهای خمشی معمولی و قابهای خمشی ویژه با رعایت اندازه اعضاء استفاده کرد. در این روش با افزایش طول ورق انتهایی با جوش نمودن ورق اضافه شده به ورق انتهایی موجود و آرماتور نمودن ورق انتهایی اضافی به بال ستون میتوان مقاومت خمشی اتصال را افزایش داد. جوش شیاری بین ورق انتهایی اضافه شده و قدیمی مطابق مبحث 10 مقررات ملی ساختمان طراحی میشود.











